Pn-Pt: 8:00-16:00
3.04 8:00-15:00 6.04 nieczynne
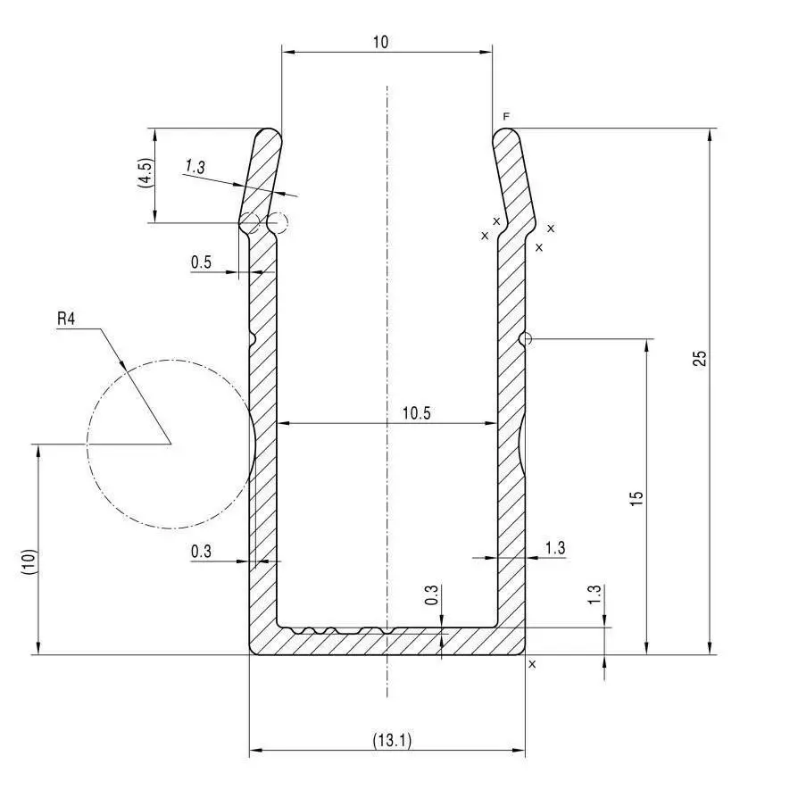
Profil kabiny toaletowej WC Ceownik 2m 10mm z przetłoczeniem srebrny
Profil Ceownik 2m 10mm z przetłoczeniem srebrny - 1
Profil Ceownik 2m 10mm z przetłoczeniem srebrny - 2
Profil Ceownik 2m 10mm z przetłoczeniem srebrny - 3
GRYC / Hakner

Profil kabiny toaletowej WC Ceownik 2m 10mm z przetłoczeniem srebrny

SKU: 013.001.118-6

Profil ceownikowy do zabudów sanitarnych z aluminium anodowanego w kolorze srebrnym. Przeznaczony do mocowania płyt o grubości 10 mm do ściany. Przetłoczenie w profilu kompensuje nierówności powierzchni montażowej.

Parametry techniczne:

  • Materiał: aluminium anodowane, kolor srebrny
  • Wymiary: 2000 × 25 × 13,1 mm (dł. × wys. × szer.)
  • Kompatybilność: płyta 10 mm

Zastosowanie: przyścienny montaż paneli HPL i płyt w kabinach sanitarnych oraz zabudowach ściennych.

Sprawdzam...